Teléfono
( 9999954648 ) ( 9992628752 )
Contáctanos
[javascript protected email address]
No hay productos
Toggle navigation
Inicio
Servicios
Nosotros
Productos
Contacto
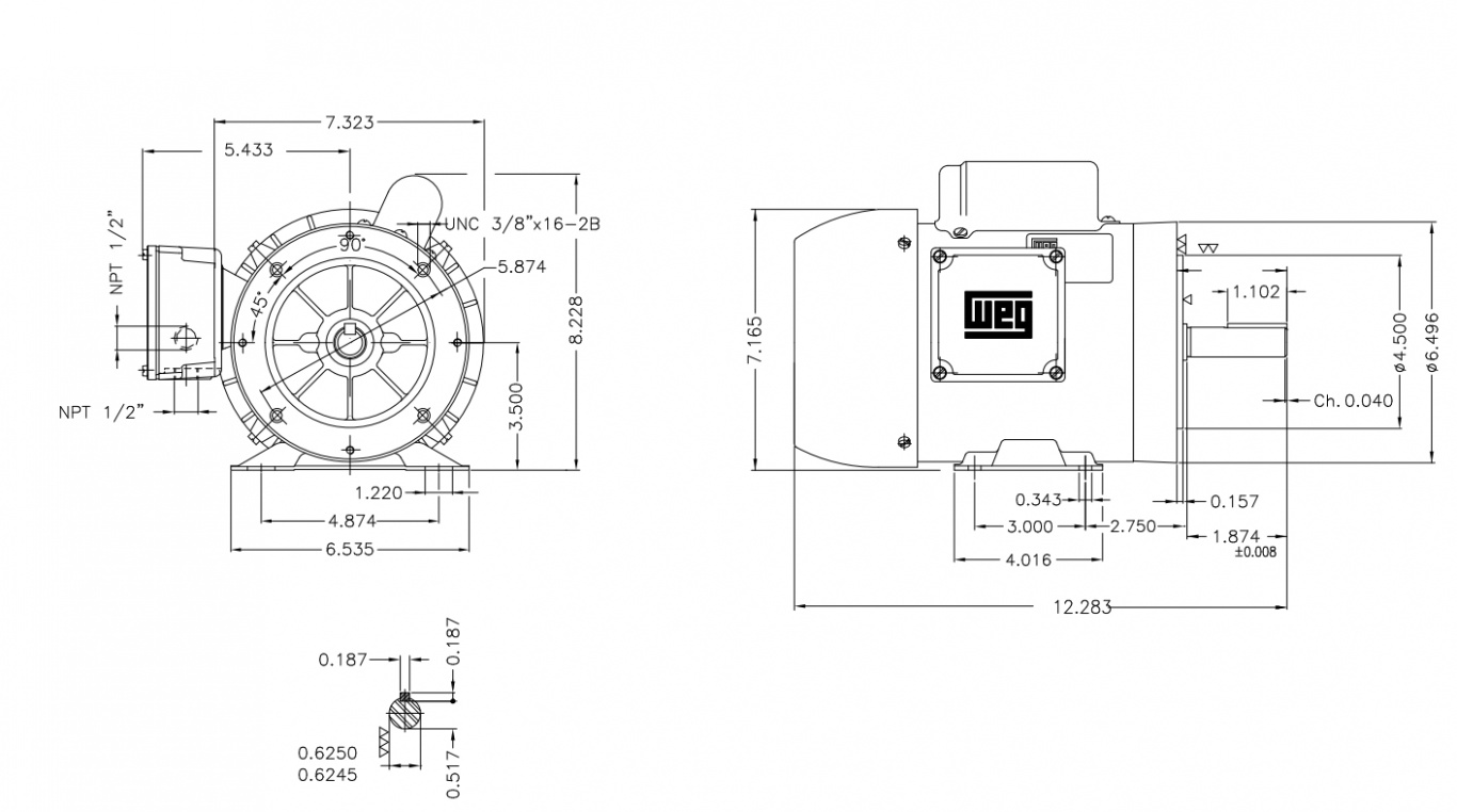
MOTOR MONOFÁSICO DE LAMINA ROLADA
Filtrar productos por:
Marca
TRANSTECNO
SQUARE D
Interruptores
STECK
INTERRUPTOR
FUJI ELECTRIC
Variador de frecuencia
Q-LIGHT
TORRETA
EAGLE
REDUCTORES CORONA SINFIN
CHINT
Interruptor
Relevador
TRANSFORMADORES DE CONTROL
ARRANCADORES A TENSION PLENA
VEIKONG
VARIADOR
EMERSON
VARIADORES DE FRECUENCIA
NEWMAN MOTORS
COMPRESORES
WEG
CONTACTOR
RELEVADOR
GUARDAMOTOR
MOTOR
INTERRUPTOR
BANCO DE CAPACITORES
MOTORREDUCTORES
TSUBAKI
Cadenas de arrastre
Otros
Accesorios
ABB
INTERRUPTOR
MUNICH
BOMBA
AUSPICIOUS
PEDAL
SUMITOMO
MOTORREDUCTOR
ARGOS
CONEXIONES
CANALETA RANURADA
Conector
Accesorios para tuberia
CABLES
CINTA AISLANTE
GABINETES
CHINT - BOTONERIA
INTERRUPTOR
SIEMENS
ARRANCADOR A TENSIÓN REDUCIDA
ARRANCADOR A TENSIÓN PLENA CON INTERRUPTOR
ARRANCADOR A TENSIÓN PLENA
Capacitor
MOTORES US
REDUCTOR
MOTORES
/images/loader.GIF
+
Agregar
Cotizar
MOTOR MONOFÁSICO DE LAMINA ROLADA
MARCA:
WEG
CATEGORÍA:
MOTOR
DESCRIPCIÓN:
MOTOR MONOFÁSICO DE LAMINA ROLADA DIFERENTES POTENCIAS Y VELOCIDADES, CON Y SIN BRIDA
Ficha Técnica